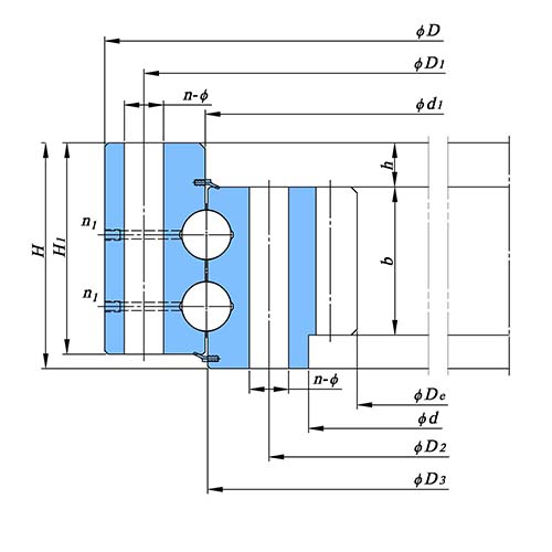
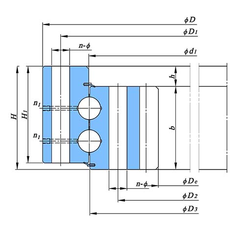
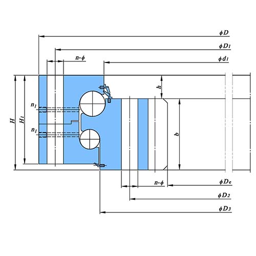
The inner ring toothed double-row angular contact turntable bearing is a key component of the mechanical system to achieve stable operation and power transmission. It consists of an inner ring, an outer ring, two rows of steel balls, and an isolation block. It has a compact structure and a compact layout. The inner ring of the bearing is processed with precise tooth shape, which can be directly engaged with the pinion of the drive device. According to the principle of gear meshing, the driving force is efficiently converted into rotary motion, eliminating the need for complex intermediate transmission links and improving the power transmission efficiency. The double-row angular contact design can be called the core highlight. The two rows of steel balls are in contact with the raceway at a specific angle, which can withstand axial forces, radial forces and overturning moments from different directions at the same time. It has a strong carrying capacity and can maintain the stability of…
A Picture Interactive Platform For Global Opportunities
Copyrights © 2026 penglais.com All Rights.Reserved .

