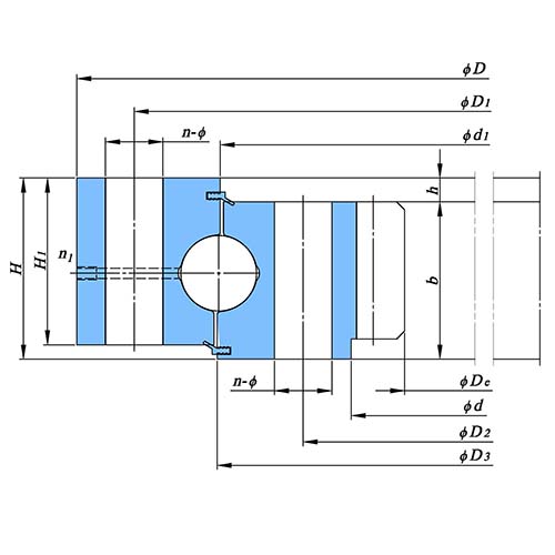
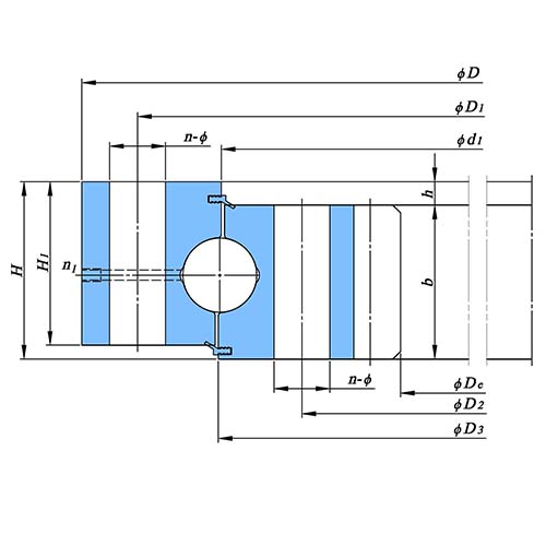
Four-point contact slewing bearings with teeth on the inner ring play an indispensable role in the mechanical field. It has a unique structure, with the inner ring, outer ring, steel balls and isolation blocks being the main components. The inner ring is machined with teeth to facilitate meshing with the pinion of the driving device, realizing direct power transmission and effectively simplifying the equipment transmission system. The steel balls are in four-point contact with the arc raceways of the inner and outer rings, which gives the bearing a strong load-bearing capacity and can withstand axial force, radial force and overturning moment at the same time. During operation, the bearing evenly distributes the load through four-point contact to ensure high-precision operation; the inner ring teeth work closely with the pinion, and convert the driving force into smooth rotation based on the gear meshing principle.The bearings are widely used in construction machinery such as cranes an…
A Picture Interactive Platform For Global Opportunities
Copyrights © 2026 penglais.com All Rights.Reserved .

